TPX 102
Ihr Vorteil:
- 1 Farbe
- höchste Präzision und Wiederholgenauigkeit
- elektropneumatisch
- kompakte Bauweise
- geschlossenes Farbgebersystem
- Topfquerverschiebung
- auch als „édition cadrans“ erhältlich
Die elektropneumatische Tampondruckmaschine TPX 102 verfügt über ein geschlossenes Farbgebersystem mit Topfquerverschiebung.
Höchste Präzision und Wiederholgenauigkeit zeichnen die TPX 102 als hochwertige Tampondruckmaschine auch für feinste Druckbilder aus.
Für die Topfbestigung stehen wahlweise der rotierende Topfzylinder oder der Topfhalter mit Bajonettverschluss zur Verfügung. Neben diversem Zubehör wie z.B. Maschinensockel und Koordinatentisch sind für die TPX 102 eine automatische Tamponreinigung sowie viele weitere Peripheriegeräte erhältlich.
Die TPX 102 steht in der Ausführung „Édition Cadrans“ auch mit besonderen Extras und Funktionen für die Uhrenindustrie zur Verfügung.
Hochpräzise Drucke, auch mit Farbe mit Spezialeffekten, sind an der Tampondruckmaschine TPX 102 problemlos möglich.
Die Tampondruckmaschine TPX 102 steht auch als „édition cadrans“ zur Verfügung. Spezielle Funktionen, wie sie u.a. in der Uhrenindustrie angewendet werden, sind dann bereits inbegriffen.
Die TPX 102 punktet zusätzlich mit einer übersichtlichen Anordnung und einer optimalen Zugänglichkeit.
Technische Daten TPX 102
Anzahl Farben:
1 Farbe
Farbgeberhub:
150 mm
Farbtopfgrössen:
Ø 56 / Ø 65 / Ø 72 / Ø 86 / Ø 96 mm
Klischegrössen:
Standardklischeebreiten: 80 / 100 mm
Standardklischeetiefen: 150 /200 / 220 / 250 mm
Taktzahl:
bis zu 1’400 Takte pro Stunde
Antrieb:
elektropneumatisch
Wiederholgenauigkeit:
< ± 0.02
Druckkraft:
250 N bei zentrischer Belastung
Anschlusswerte:
230 V / 50 Hz, Druckluft 5 – 6 bar
Luftverbrauch:
0,47 Liter / Takt bei 6 bar
Steuerung:
SPS-Steuerung, Touchscreen
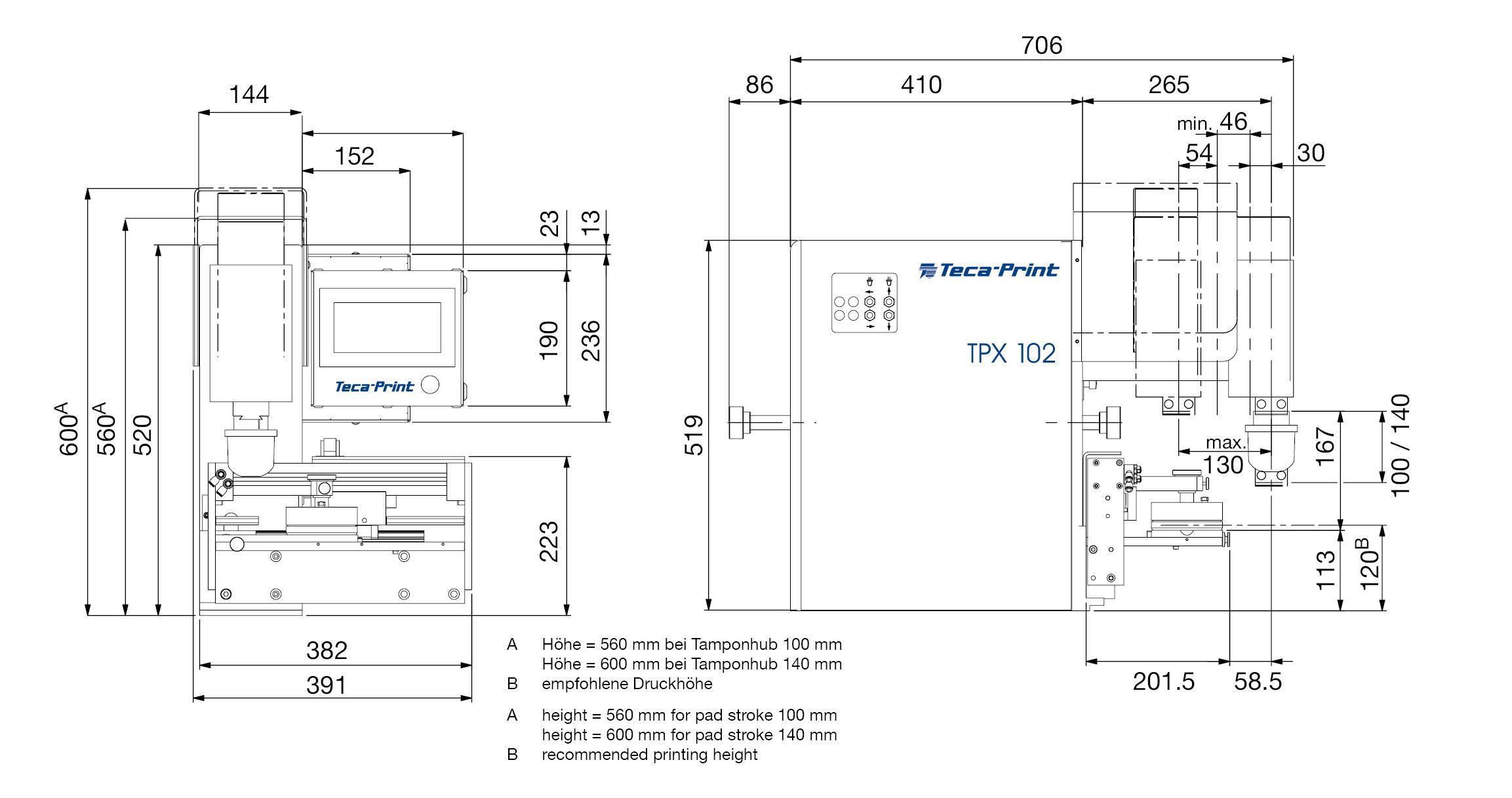
Tamponvertikalhub:
100 / 140 mm, elektronisch stufenlos verstellbar
Tamponausladung:
58,5 mm
Gewicht:
ca. 63,5 kg ohne Sockel
Masse (BxHxT):
391 x 560/600 x 706 mm
Alle Angaben und Möglichkeiten sind vom gewählten Tamponvertikalhub abhängig und werden teilweise durch diesen definiert. Gerne beraten wir Sie detailliert.
Die TPX 102 ist unsere kleinste Maschine mit Topfquerverschiebung. Sie ist perfekt für hochpräzise Drucke einsetzbar.
Ihre Teca-Print TPX 102 Broschüre als PDF!

































