TPE 401
Ihr Vorteil:
- Farbtopfgrösse bis zu Ø 130 mm
- hohe Druckkraft
- auch mit ovalem Farbtopf ausrüstbar
- elektropneumatisch
- viele Zubehör- und Peripherieartikel
- extrastarker Maschinensockel MS 400 erhältlich
Die Tampondruckmaschine TPE 401 ist ihr geeigneter Partner für die Realisierung von mittleren bis grösseren Druckbildern bei Einsatz des geschlossenen Farbgebersystems.
Bei einer Klischeebreite von bis zu 450 mm können runde Farbtöpfe bis Ø 130 mm eingesetzt werden. Auch ovale Farbtöpfe stehen für längliche Druckbilder zur Verfügung.
Die elektropneumatische Maschine überzeugt mit vielen Einsatzmöglichkeiten und einem optimierten Preis-/Leistungsverhältnis. Die kompakte SPS-Steuerung ist leicht verständlich und anwenderfreundlich.
Für die Topfbefestigung wählen Sie zwischen dem praktischen Topfhalter mit Bajonettverschluss und dem optional erhältlichen rotierenden, elektrischen Topfzylinder.
Viele Extras, wie z.B. die automatische Tamponreinigung, sind serienmässig erhältlich.
Die Tampondruckmaschine TPE 401 verfügt über eine hohe Druckkraft auch für grössere Druckbilder.
Die TPE 401 wird von unseren Mitarbeitern sehr gerne montiert.
Die Tamponreinigung zwischen Farbgeber und Druckobjekt sorgt für eine zeitsparende Reinigung der Drucktampons.
Technische Daten TPE 401
Anzahl Farben:
max. 4 Farben
Farbtopfgrössen:
Ø in mm: 105 / 115 / 130,
oval in mm: 140 x 070 / 120 x 096 / 226 x 116
Klischegrössen:
Klischeebreiten 150 / 350 oder 450 mm, Klischeetiefe 300 mm
Taktzahl:
bis zu 1’200 Takte pro Stunde
Antrieb:
elektropneumatisch
Druckkraft:
2’900 N bei zentrischer Belastung
Anschlusswerte:
230 V / 50 Hz, Druckluft 5 – 6 bar
Luftverbrauch:
3.0 Liter / Takt bei 6 bar
Steuerung:
SPS-Steuerung
Gewicht:
ca. 200 kg ohne Sockel
ca. 386 kg mit Maschinensockel MS 400
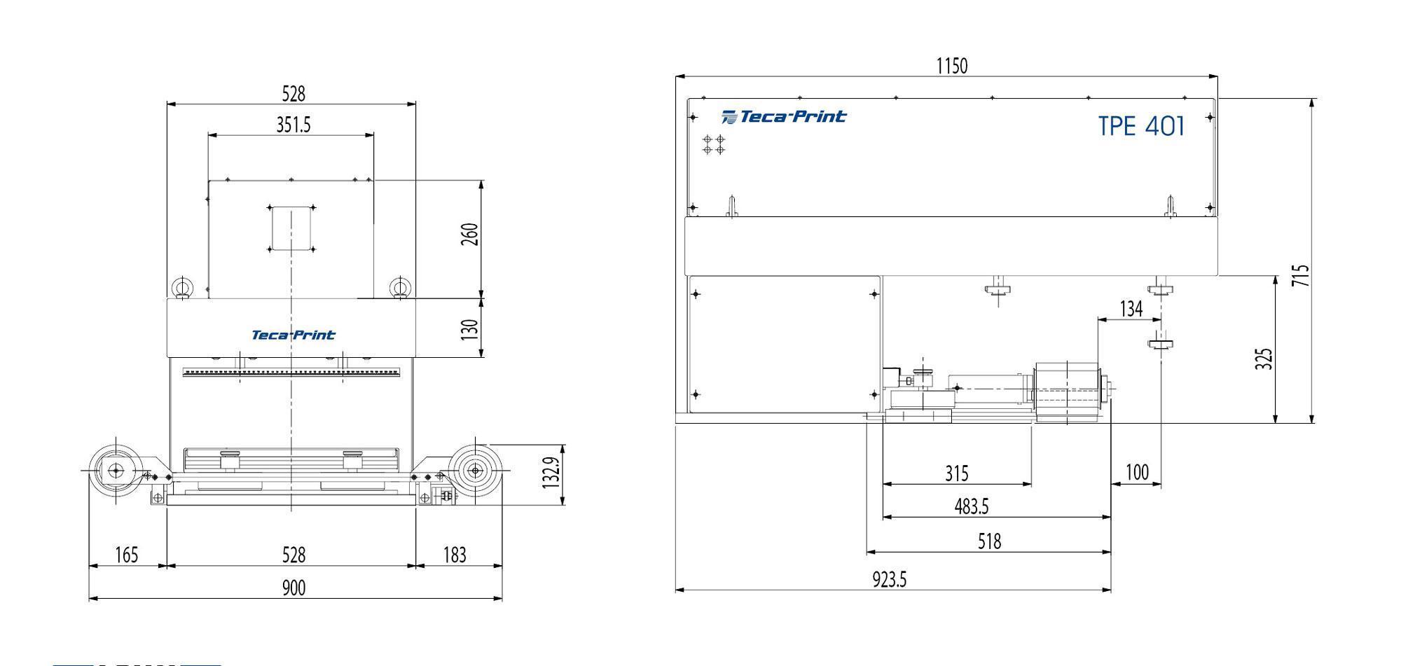
Masse (BxHxT):
528 x 715 x 1150 mm
Die Tampondruckmaschine TPE 401 ist mit verschiedenen Befestigungssystemen für die Farbtöpfe erhältlich.
Ihre Teca-Print TPE 401 Broschüre als PDF!

































