TPE 100
Ihr Vorteil:
- einfache und überschaubare Funktionen
- leistungsfähige Möglichkeiten
- elektropneumatisch
- kompakte Bauweise
- offenes Farbgebersystem
- auch für „Einsteiger“ geeignet
Die Tampondruckmaschine TPE 100 ist der klassische Alleskönner für kleinere, einfarbige Druckbilder. Die einfachen und überschaubaren, aber dennoch leistungsfähigen Funktionen und Möglichkeiten werden auch von Einsteigern sehr geschätzt. Ausgerüstet mit dem offenen Farbgebersystem bietet die Tampondruckmaschine TPE 100 dank schnell austauschbaren Klischees eine effiziente Arbeitsweise und niedrige Klischeekosten. Noch mehr Flexibilität bietet die als Option erhältliche Magnetplatte mit austauschbarem Farbbehälter.
Die TPE 100, die vorwiegend an Handarbeitsplätzen eingesetzt wird, verfügt über ein umfangreiches Zubehörprogramm und kann als Tischmodell oder komplett mit Maschinensockel geliefert werden.
Besondere Flexibilität ermöglicht die Magnetplatte mit separatem Farbbehälter: Derselbe Druck in einer andere Farbe? Einfach Farbbehälter wechseln und weiterdrucken!
Unsere Mitarbeiter kennen die gute Qualität unserer TPE 100, deshalb wird motiviert gearbeitet.
Die Tampondruckmaschine TPE 100 wird oft als Tischmodell eingesetzt. Die Bauweise ist sehr kompakt, so dass die Maschine flexibel eingesetzt werden kann.
Technische Daten TPE 100
Anzahl Farben:
1 Farbe
Klischegrössen:
100 x 100 mm / 150 x 100 mm
Taktzahl:
bis zu 1’800 Takte pro Stunde
Antrieb:
elektropneumatisch
Druckkraft:
250 N bei zentrischer Belastung
Anschlusswerte:
230 V / 50 Hz, Druckluft 5 – 6 bar
Luftverbrauch:
0.25 Liter / Takt bei 6 bar
Steuerung:
SPS-Steuerung
Gewicht:
ca. 25 kg ohne Sockel
ca. 90 kg mit Maschinensockel MS 250
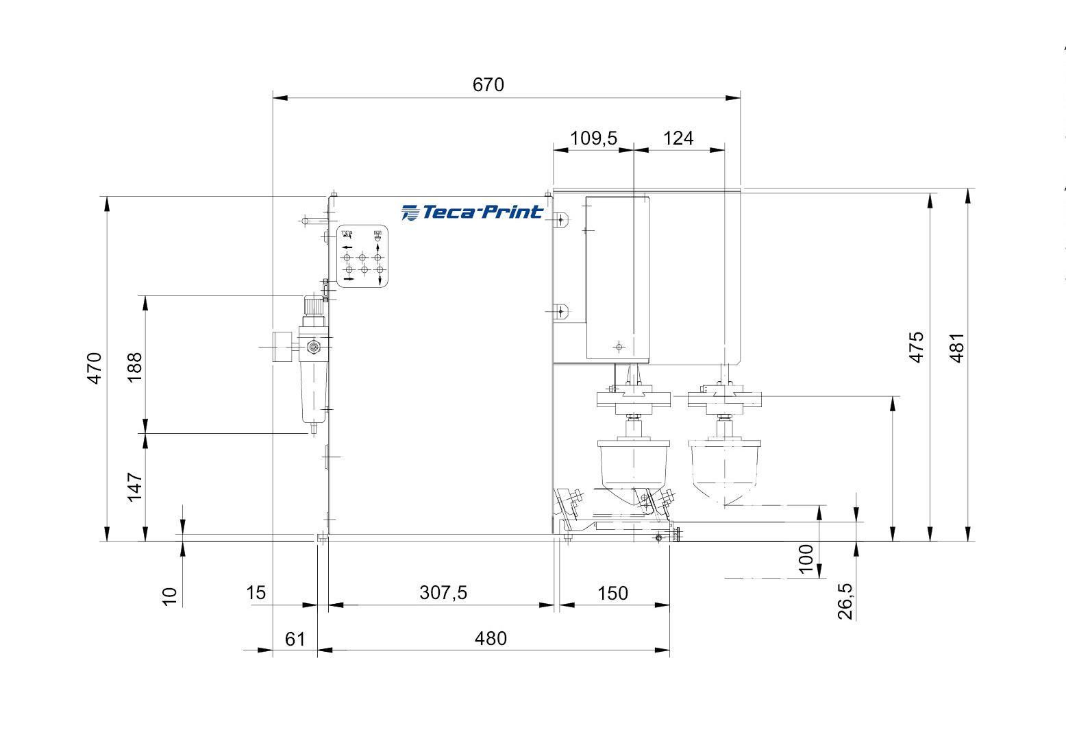
Masse (BxHxT):
150 x 481 x 670 mm
Mit der TPE 100 findet sich jeder Anwender schnell zurecht. Eine prima Tampondruckmaschine für einfarbige Druckbilder.
Ihre Teca-Print TPE 100 Broschüre als PDF!

































